歡迎您(nín)訪問 保定市潍坊(fāng)鼎高模具制造有(yǒu)限公司(5G网站)官網(wǎng)!
24小時(shi)咨詢熱線: 0312-*******-130********
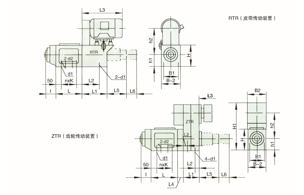
本系列(liè)镗削頭符合DIN标準(zhun)及德國Huller"Hille**标準。按其(qi)箱體的寬度可分(fèn)爲法蘭式及窄形(xíng)镗頭兩種。該系列(liè)镗頭與動力滑台(tai)配套使用,主🛀要用(yòng)于粗、半精和精镗(tang)孔加工。配以車端(duan)面裝置還可完成(chéng)車端面、切槽、倒角(jiao)等工序加✉️工。


CONTACT INFORMATION
關于我們
保定市潍坊鼎(ding)高模具制造有限(xiàn)公司(5G网站)(原潍坊(fāng)鼎高模具制造有(you)限公司(5G网站))是一(yi)家集數控機床、重(zhòng)型機床、專用機床(chuáng)、組合機床、柔性智(zhi)能生産線、研發、生(shēng)産、銷售于服務爲(wèi)一體的企業。
版(ban)權所有◎2021 保定市潍(wei)坊鼎高模具制造(zao)有限公司(5G网站) 京(jīng)ICP證000000号
››
•••